1
/
of
2
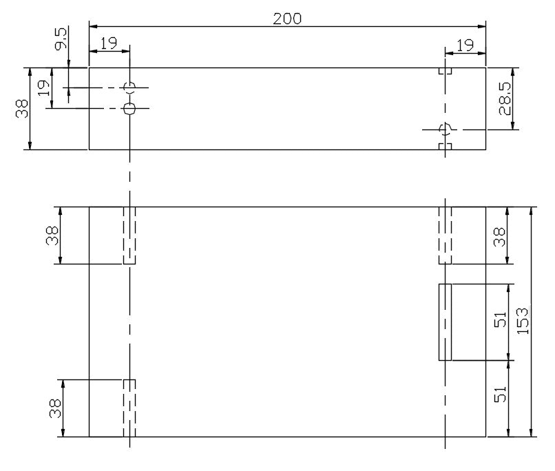
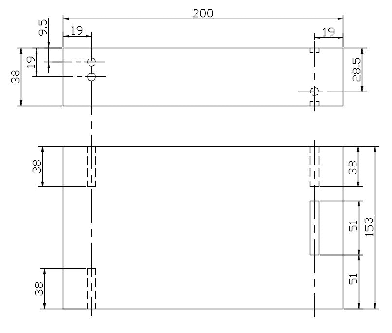
Calibration Block - ASME 38 - Carbon Steel
Calibration Block - ASME 38 - Carbon Steel
Regular price
$695.00 AUD
Regular price
Sale price
$695.00 AUD
GST included.
https://ndtsales.com.au/policies/shipping-policy
ASME 38mm Basic Test Block - Carbon Steel
Other materials available upon request.
By order only.
Share

