1
/
of
2
Calibration Block - DAC Block
Calibration Block - DAC Block
Regular price
$595.00 AUD
Regular price
Sale price
$595.00 AUD
GST included.
https://ndtsales.com.au/policies/shipping-policy
Couldn't load pickup availability
Calibration Block - DAC Block
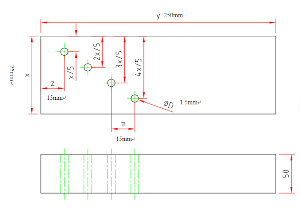
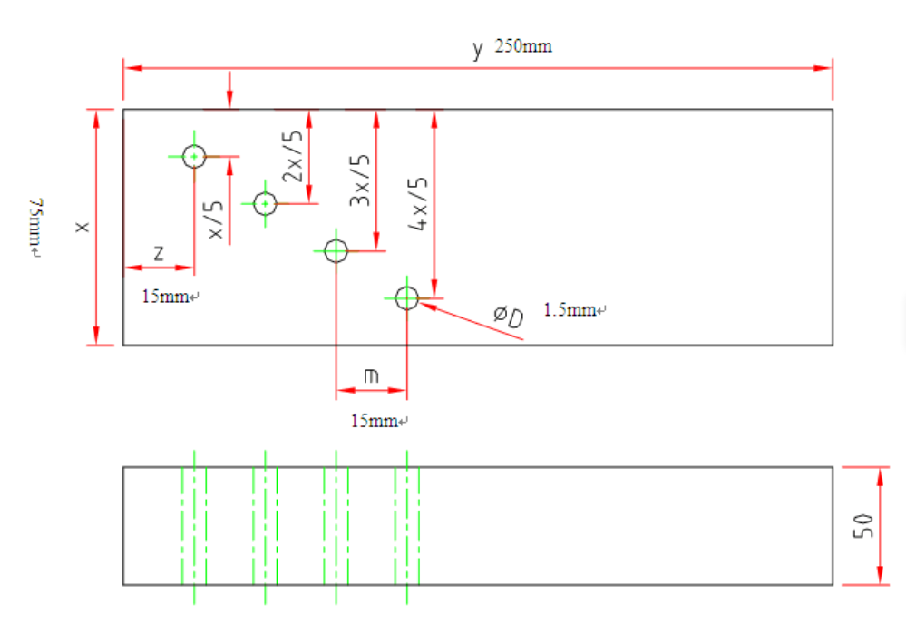
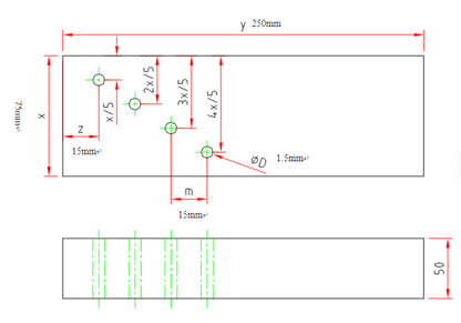
The DAC Calibration Block is for Setting DAC characteristics for shear wave and compression wave probes. All blocks come will full certification and are manufactured in the UK.
Target Holes: 3mm at 20%, 40%, 60% and 80%.
Specification: BS EN ISO 17640:2018
Tolerances: ±0.1mm
Thickness: 50mm
Height: 75mm
Length: 200mm
Material: Carbon Steel
Stainless Steel and Aluminium & other materials can be quoted at request
Package includes:
1 calibration block
1 certificate
1 block case
Item is by order only, shipped direct from supplier using courier.
Share
