1
/
of
6
Calibration Block - Phased Array Type A
Calibration Block - Phased Array Type A
Regular price
$1,495.00 AUD
Regular price
Sale price
$1,495.00 AUD
GST included.
https://ndtsales.com.au/policies/shipping-policy
PHASE ARRAY A TYPE Ultrasonic test block - 1018 STEEL
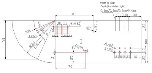
The Phased Array "Type A" Calibration Block is used during the initial setup and calibration of a phased array ultrasonic unit. This block can be used to perform tasks such as beam angle verification, calibration for wedge delay, sensitivity calibration, performing DAC/TCG and more. This block has similar dimensions to a IIW-Type Block, but has specially-engineered for phased array applications.
Inch Version Features
4.000" and 2.000" radii
19 through holes at .040" diameter
1 through hole at .080" diameter
4 FBHs at .080" diameter x .080", .160", .235" and .315" deep
4 FBHs at .157" diameter x .040", .120", .200" abd .275" deep
3 FBHs at .080" diameter x .120" deep machined into the 2.000" radius
4 EDM notches at .004", .008", .012" and .016" deep x .020" wide x 1.00" long.
Inch Dimensions: 1.000" thick x 4.000" tall x 12.00" long
Material - 1018 Steel
Package Includes:
1 calibration block
1 suitcase
1 certificate
By order only
Share





