1
/
of
6
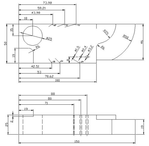
Mini IIW type Calibration Block
Mini IIW type Calibration Block
Regular price
$395.00 AUD
Regular price
Sale price
$395.00 AUD
GST included.
https://ndtsales.com.au/policies/shipping-policy
Brand Name: TMTECK
Block type: Mini IIW test block
Material: 1018 steel
Weight: 3 kgs
Package includes:
1 calibration block
1 certificate
1 block case
By order only, shipped directly from supplier, therefore delivery times may vary.
Share





