1
/
of
3
Tungsten Colimator TCN799
Tungsten Colimator TCN799
Regular price
$545.00 AUD
Regular price
$550.00 AUD
Sale price
$545.00 AUD
GST included.
https://ndtsales.com.au/policies/shipping-policy
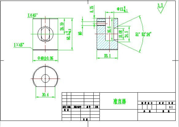
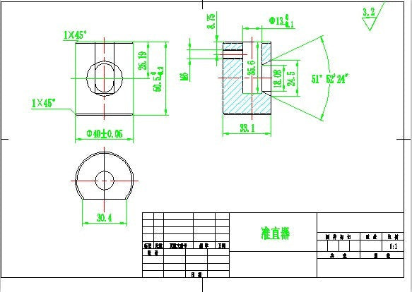
TUNGSTEN COLLIMATOR TCN799 for shielding gamma radiography
Material: 95WNiFe - Class 3 Tungsten Alloy
Weight: 1.75 lb. (0.79 kg)
Dimensions: Length: 1.88 in, Diameter: 1.5 in
Attentuation: Co-60: 0.46 Ir-192: 0.05
Half Value Layers :Ir-192: 4.30 Co-60: 1.12
Beam Size: 60° conical side throw
Share


